電子脂肪/電子貨物

S-Type Pro RF リアハブモーター

S-Type Pro RF リアハブ モーター (フリーホイール) は、E-Cargo および E-Fat バイク用に設計されており、定格出力 750W ~ 1500W を提供します。 7速フリーホイール、175mmのドロップアウト、145Nmを超える最大トルクを備えています。このモーターは低速条件で強力なトラクションを提供し、急な坂道や柔らかい砂でも安定した登坂能力を確保し、高負荷条件でのパワー不足を効果的に解決します。 HENTACH の特許取得済みプラスチックスチールギアを装備しており、従来のナイロンギアの 5 倍のトルク容量を提供し、40,000 km 以上持続し、メンテナンスコストを大幅に削減します。 1000Wを超える電動自転車用途では、100Nmを超える連続トルクに耐えられるのはHengtaiのプラスチックスチールギアだけです。

キーパラメータ
モーター構造: 定格電圧(V): 定格電力(W):
/ 36-60 600-1500
ピークトルク(N.m.): 重量(kg): 古い (mm):
145 5.8 175
詳細情報
  • S-Type Pro RF リアハブモーター
  • S-Type Pro RF リアハブモーター
寧波鄞州HENTACH電気機械有限公司 Product Parameters 寧波鄞州HENTACH電気機械有限公司 Drawing 寧波鄞州HENTACH電気機械有限公司 Contact Us

コアデータ

定格電力 600-1500
定格電圧 36-60
車輪径 20-26
速度範囲 35-65
最大トルク 145
ギア比 5
重量(KG) 5.8

インストールパラメータ

ブレーキ ディスクブレーキ
トルクセンサーカセット いいえ
ケーブル配線ルート アクスル側左
スポーク穴 2-18-Ф3.2
防水定格 IP54(最大IP65)
フライホイール/スプロケットホイール 7段階の旋回速度
証明書 TUV/EN15194/RoHS

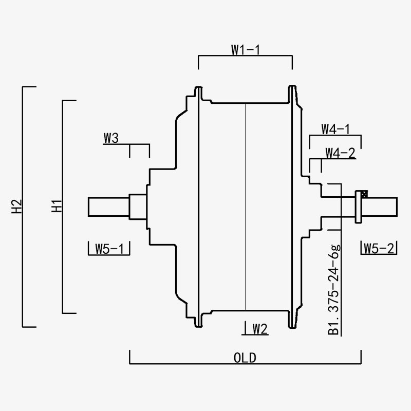
H1/OD: 162
H2/モーター外径: 183
W1(-1/-2): 70.8
W2: 0
W3: 15.2
W4(-1/-2): 39/9
W5(-1/-2): 31/27
古い: 175
軸長: 233
寧波鄞州HENTACH電気機械有限公司
お問い合わせください
  • 送信して送信
寧波鄞州HENTACH電気機械有限公司
当社の特徴は何ですか
  • 175mmオープンギアを備えた強力なリアドライブハブモーター、最大定格1500w。

  • 特許プラスチック歯車を発明:ナイロン歯車の5倍のトルク。寿命は40,000kmを超えます。アフターセールスが低い

  • 失速トルクは最大 145NM 以上、efat/Cargo 用に設計。

私たちは誰ですか 以上 20年 制作経験のこと。

寧波鄞州HENTACH電気機械有限公司 (旧社名 Hengtai Motor) 1995 年に設立され、以前は「Hengtai Motor」(当社の中国語名)とし​​て知られていましたが、2020 年に英語名「HENTACH Motor」を正式に採用しました。どちらの名前も、30 年以上にわたって電気機械の革新に専念してきた同じ信頼できるメーカーを表しています。ミニチュア DC モーター、電気/オートバイ用ハブ モーター、電気自動車用アルミニウム - マグネシウム合金の鋳造と精密加工を専門とする当社は、厳格な ISO 9001 品質管理システム、成熟した管理慣行、最先端の製造/試験設備を組み合わせて、信頼性の高いソリューションを提供しています。

With end-to-end capabilities spanning from raw material casting to final product delivery, we serve diverse markets including e-bikes, cargo vehicles, AGVs, golf cars, agricultural machinery, and e-karting. Our 9,000+㎡ campus (5,000㎡ built area) houses over 60 units of advanced production equipment, including 500-ton die-casting machines, precision CNC machine tools, laser marking systems, micro-arc oxidation lines, and two dedicated electric vehicle motor test benches. This infrastructure ensures efficient production and strict compliance with international quality standards.

HENTACH (Hengtai) では、高品質の素材と独自の技術を優先しています。特許取得済みのナイロンスチールギアは、当社のエンジニアリングの卓越性の証です。耐久性を検証するために、当社はかつて 30,000 マイルを超えるモーターに対して走行距離保証プログラムを開始しました。結果? 50 を超えるモーターがこのベンチマークを満たしただけでなく、それを上回り、中には 50,000 マイルという驚異的な走行距離に達したモーターもありました。この現実世界のパフォーマンスは、信頼性に対する当社の揺るぎない焦点を反映しており、よりスマートで強力なモーター ソリューションを目指して継続的に革新する動機となっています。
Hengtai Motor と HENTACH Motor の両方として世界的に知られているブランドを信頼してください。特許取得済みのスチールギアの革新と実証済みの耐久性が融合しています。

認定者 認証