電子貨物

P タイプ R500 リアハブモーター

P タイプ R500 E-Cargo Bike リアハブ モーターは、カーゴ用途向けに特別に設計されており、定格出力 500 W を誇り、重量物の積載や長距離輸送に強力で安定したパワーを提供します。都市部の複雑な状況や坂道、満載時でも効率的かつ安定したパフォーマンスを保証し、荷物の効率を大幅に向上させます。さらに、平坦な地形や高速走行時のエネルギー消費を削減し、全体的なサイクリング効率を向上させます。

キーパラメータ
モーター構造: 定格電圧(V): 定格電力(W):
後輪駆動ハブモーター 36-48 350-500
ピークトルク(N.m.): 重量(kg): 古い (mm):
50 3.85 160
詳細情報
  • P タイプ R500 リアハブモーター
  • P タイプ R500 リアハブモーター
寧波鄞州HENTACH電気機械有限公司 Product Parameters 寧波鄞州HENTACH電気機械有限公司 Drawing 寧波鄞州HENTACH電気機械有限公司 Contact Us

コアデータ

定格電力 350-500
定格電圧 36-48
車輪径 20-26
速度範囲 25-35
最大トルク 50
ギア比 5
重量(KG) 3.85

インストールパラメータ

ブレーキ ディスクブレーキ
トルクセンサーカセット いいえ
ケーブル配線ルート アクスル中央左
スポーク穴 2-18-Ф3.2
防水定格 IP54(最大IP65)
フライホイール/スプロケットホイール ロータリー7速
証明書 TUV/EN15194/RoHS

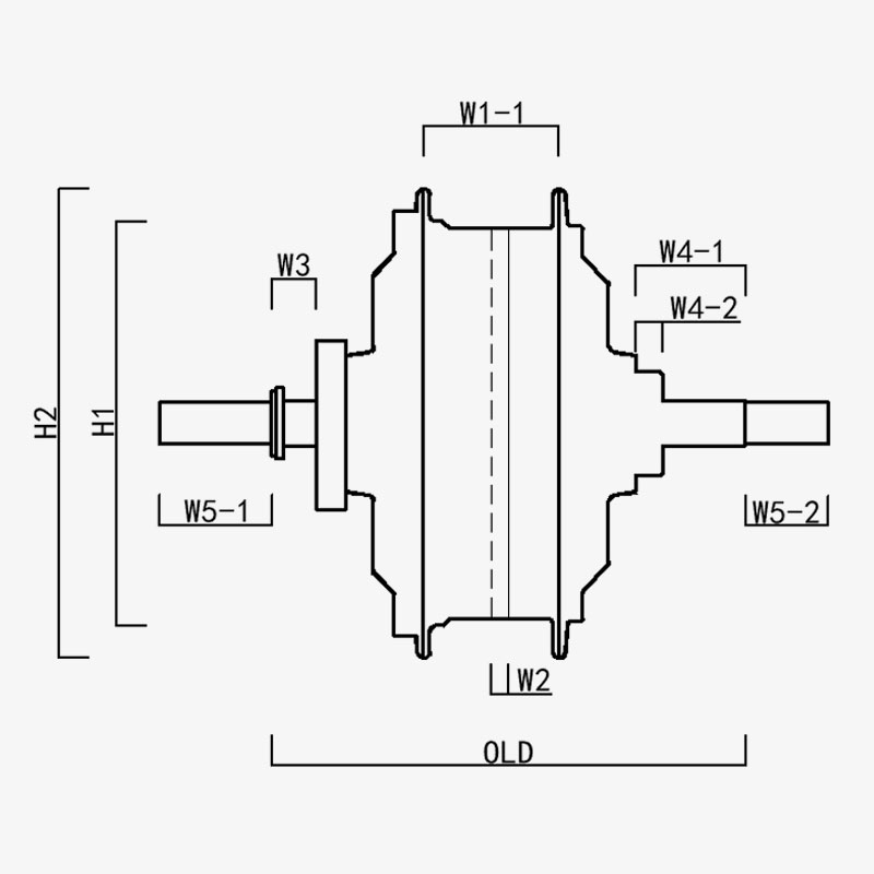
H1/OD: 136.5
H2/モーター外径: 158.5
W1(-1/-2): 45.5
W2: 6
W3: 15
W4(-1/-2): 37/9
W5(-1/-2): 38/28
古い: 160
軸長: 226
寧波鄞州HENTACH電気機械有限公司
お問い合わせください
  • 送信して送信
寧波鄞州HENTACH電気機械有限公司
当社の特徴は何ですか
  • 電動アシストファットタイヤバイク用に特別に設計された強力な後輪駆動ハブモーターで、7 速ロータリーフライホイール、160mm のギア開口部、最大 500w の定格出力を備えています。

  • 特許取得済みのプラスチックスチールギア: ナイロンギアの 5 倍のトルク。寿命は40,000キロメートルを超えます。アフターセールスが低い

  • eCargo 専用に設計された 50NM 以上の失速トルク。

私たちは誰ですか 以上 20年 制作経験のこと。

寧波鄞州HENTACH電気機械有限公司 (旧社名 Hengtai Motor) 1995 年に設立され、以前は「Hengtai Motor」(当社の中国語名)とし​​て知られていましたが、2020 年に英語名「HENTACH Motor」を正式に採用しました。どちらの名前も、30 年以上にわたって電気機械の革新に専念してきた同じ信頼できるメーカーを表しています。ミニチュア DC モーター、電気/オートバイ用ハブ モーター、電気自動車用アルミニウム - マグネシウム合金の鋳造と精密加工を専門とする当社は、厳格な ISO 9001 品質管理システム、成熟した管理慣行、最先端の製造/試験設備を組み合わせて、信頼性の高いソリューションを提供しています。

With end-to-end capabilities spanning from raw material casting to final product delivery, we serve diverse markets including e-bikes, cargo vehicles, AGVs, golf cars, agricultural machinery, and e-karting. Our 9,000+㎡ campus (5,000㎡ built area) houses over 60 units of advanced production equipment, including 500-ton die-casting machines, precision CNC machine tools, laser marking systems, micro-arc oxidation lines, and two dedicated electric vehicle motor test benches. This infrastructure ensures efficient production and strict compliance with international quality standards.

HENTACH (Hengtai) では、高品質の素材と独自の技術を優先しています。特許取得済みのナイロンスチールギアは、当社のエンジニアリングの卓越性の証です。耐久性を検証するために、当社はかつて 30,000 マイルを超えるモーターに対して走行距離保証プログラムを開始しました。結果? 50 を超えるモーターがこのベンチマークを満たしただけでなく、それを上回り、中には 50,000 マイルという驚異的な走行距離に達したモーターもありました。この現実世界のパフォーマンスは、信頼性に対する当社の揺るぎない焦点を反映しており、よりスマートで強力なモーター ソリューションを目指して継続的に革新する動機となっています。
Hengtai Motor と HENTACH Motor の両方として世界的に知られているブランドを信頼してください。特許取得済みのスチールギアの革新と実証済みの耐久性が融合しています。

認定者 認証